Continuam seria dedicata cartuselor folosite la pistoale semiautomate. Dupa ce in partea I am vorbit despre 22 LR, 25 ACP si 32 ACP, in a II-a parte am vorbit despre 9×17 Scurt, 9×18 Mak, 9×19 Lug si 9×21 IMI, iar in partea a III-a am vorbit despre 40 S&W, 10 mm Auto si 45 ACP, acum trecem la cartusele cu tubul gatuit (bottleneck), si anume ne oprim asupra a doua cartuse: 7,62×25 Tokarev si .357 Sig.

7.62x25mm Tokarev / 7.62mm Tokarev / 7.62 TT
7.62x25mm Tokarev / 7.62mm Tokarev / 7.62 TT este un cartus cu peretele gatuit (bottleneck) dezvoltat in Uniunea Sovietica in 1930 plecand de la cartusul 7.63 x 25 mm Mauser. Pistolul asociat cu acest nou cartus este faimosul Tokarev TT-33. Cele doua cartuse, originalul german si copia ruseasca, sunt atat de similare incat fizic se pot folosi interschimbabil in pistoalele germane vechi Mauser C96 si pistoale rusesti TT, cu mentiunea ca mai noul cartus rusesc este mai puternic si va deteriora vechile pistoale Mauser C96.
Ca in alte multe tari din blocul sovietic, in Romania s-a produs la Cugir (jud. Alba) o copie a Tokarevului rusesc el fiind folosit de catre armata romana. Cu un TT romanesc se poate trage la poligonul Squadstore in Cluj Napoca – va recomand o filmare, flama de la gura tevii este impresionanta (vezi poza mai jos). O alta copie notabila este M57 realizat in Yougoslavia (Serbia), si care se gaseste de cumparat la acest magazin in Sibiu. Cehii au realizat un model total difeferit de platforma Tokarev, si anume CZ-52, dar care folosea cartusul 7.62 Tokarev. Pistolul TT si copiile acestuia arata la exterior ca un FN 1903 francez care era realizat pe sistem blowback (reculul liber al inchizatorului), dar TT are la interior sistemul clasic al lui John Browning cu reculul scurt al tevii si lung al inchizatorului (short recoil operated) similar lui Colt M1911.
Pana la urma Uniunea Sovietica a inlocuit atat pistolul TT cat si cartusul sus numit cu pistolul PM Makarov si cartusul 9×18 Makarov, cartus prezentat in partea a III-a acestei serii de articole.
Pretul in SUA inainte de COVID si protestele BLM incepea de la 34 de centi. In Romania pretul unui cartus este de 1.77 Ron.
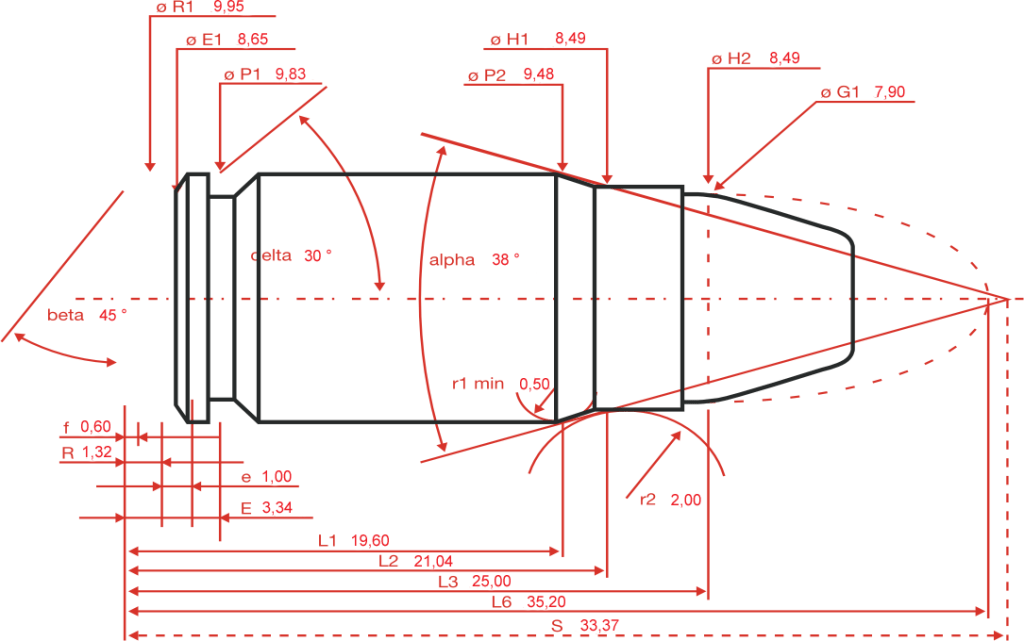
Dimensiuni*:
- diametrul glontului este de 7.62 milimetri (~ 0.32 inch)
- greutatea glontului este in jurul a 5.5 grame
- viteza dezvoltata la pistol este pe undeva pe la 560 m/s
- energia dezvoltata la pistol este aproximativ de 880 Jouli
*) Diametrul este acelasi indiferent de marca si tipul cartusului 7.62×25 Tokarev. In schimb greutatea, viteza si deci prin urmare si energia dezvoltata difera de la un tip la altul. Valorile prezentate aici sunt unele tipice/medii pt. full metal jacket (FMJ) de la Sellier & Bellot. Wikipedia prezinta alte valori.
Autoaparare* / self defence: desi are diametrul similar cu 32 ACP (cartusul folosit si de pistoalele Carpati, vezi aici) si greutatea doar putin mai mare ca a acestuia, performantele balistice sunt net superioare. Conform Wikipedia, cartusul poate penetra veste si casti de kevlar de nivel I si IIA. Pe site-ul Genitron este pozitionat intre 38 Special si 9x19mm. Toate aceste elemente impreuna cu faptul ca a fost folosit de fortele armete a catorva tari, sugereaza faptul ca este adecvat pentru autoaparare. Un dezavantaj este faptul ca lista de pistoale care folosesc acest calibru este foarte limitata, si majoritaea sunt modele vechi, depasite ca tehnologie. Motivul principal pentru care l-am introdus in aceasta serie este ca se gaseste in magazinele de profil din Romania, in poligoane si ca inca mai sunt nenumarate arme in depozitele armatei romane.
*) Termenul de autoaparare este folosit in aceasta serie de articole la modul general (self defense), nu la modul definit de legea 295/2004, si anume arme neletale cu potential letal, cu gloante din bile de cauciuc.
Unde sunt TT-urile romanesti, in afara de depozitele Armatei Romane? Evident … in SUA, cutii intregi:

7,62x25mm (wikipedia) 
TT romanesc (facebook) 
TT romanesc (carabina.ro)
.357 SIG / 357 Sig / 9x22mm

.357 SIG / 357 Sig / 9x22mm este tot un cartus cu tubul gatuit (bottleneck) dezvolat de Sig Sauer si Federal Cartridge in 1994. Partea de jos a tubului unde este mai mare este identica cu cea a cartusului 40 S&W (prezentat in partea a treia), iar pa partea de sus, deasupra de gatuire se aseamana cu tubul de la 9x19mm (prezentat in partea a doua), defapt este identic pentru ca el este pregatit pentru a primi un glont de 9mm. Putem spune ca .357 Sig este o corcitura intre .40 S&W si 9x19mm.
Balistic vorbind acest cartus incearca sa reproduca pentru pistoale semiautomate balistica generata de cartusul .357 Magnum folosit la revolvere, de aici si numele de .357 Sig (plus ca probabil se vinde mai bine sub acest nume, fata de .355 Sig). Cartusul .357 Sig pare sa fie primul cartus modern (dupa 1960) cu tub gatuit care a avut prindere mare la public.
Pretul este aproximativ de doua ori mai scump decat 9x19mm si cam la acelasi pret la care gasim cartusul .40 S&W. In Romania incepe de la 2 Ron bucata, iar in SUA gasim de pe la 60 centi bucata.
Fiind o combinatie intre 9x19mm si .40S&W si marimea pistoalelor este similara cu cele care sunt in aceste doua calibre. Un exemplu este Sig Sauer 229 (similar ca dimensiune cu Glock 19 sau CZ P 01-C), iar altul este Glock 32 care practic este identic cu Glock 19 (9x19mm) si Glock 23 (.40S&W). In aceasta comparatie puteti sa observati ca simensiunile lui Glock 19 si Glock 32 sunt practic identice.
Dimensiuni*:
- diametrul glontului este de ~9 milimetri (~ 0.355 inch)
- greutatea glontului este in jurul a 8 grame
- viteza dezvoltata la pistol este pe undeva pe la 450 m/s
- energia dezvoltata la pistol este aproximativ de 810 Jouli
- presiunea maxima SAAMI: 40.000 psi
*) Diametrul si presiunea maxima sunt aceleasi indiferent de marca si tipul cartusului 357 Sig. In schimb greutatea, viteza si deci prin urmare si energia dezvoltata difera de la un tip la altul. Valorile prezentate aici sunt unele tipice/medii pt. full metal jacket (FMJ) Sellier & Bellot si Prvi Partizan.
Autoaparare* / self defence: cartusul este folosit de cateva agentii de forte de securitate si are reputatia de a fi un cartus foarte precis. Glontul ce pleaca de pe teava este identic in diametru si in greutate (uneori chiar mai greu) cu cel al cartusului 9x19mm care este mai mult decat adecvat pentru autoaparare. Daca tinem cont ca si viteza este mult mai mare (cam de 1,5 ori mai mare) rezulta clar ca balistic vorbind este adecvat pentru autoaparare. Diferenta vine de la capacitatea mai scazuta a incarcatorului (cam cu 2-3 cartuse mai putin ca la 9x19mm) de la flashul de la gura tevii, dar si de la recul, care este mult mai mare. De asemenea in timp datorita presiunilor si vitezelor mai mari componentele, mai ales teava se deterioreaza mai rapid la .357 Sig decat la 9x19mm. Cei de la Lucky Gunner au un clip dedicat lui .357 Sig.
Teste balistice pt. 357 Sig realizate de Lucky Gunner gasiti aici.

357 Sig (wikipedia) 
Avantaje si Dezavantaje (Lucky Gunner) 
357 sig, 10mm auto, 40 S&W (wikipedia)
Bibliografie:
– Shooter’s Bible: Guide to cartridges book (by Todd Woodard, eng)
– Lucky Gunner website (eng)
– Genitron.com – gun & caliber database (eng)
– Wikipedia – caliber page (eng)
– ATF – Bureau of Alcohol, Tabacco and Firearms and Explosives (eng)
– Sellier & Bellot amnunition
– Geco anmunition
Articole similare:
– Calibre si cartuse (introducere)
– Cartușe pistol | 1 – 22 LR, 25 ACP, 32 ACP (partea I – Grupa mica)
– Cartușe pistol | 2 – 9×17 Short, 9×18 Mak, 9×19 Lug, 9×21 IMI (part II – Nouarii)
– Cartușe pistol | 3 – 40 S&W, 10 mm Auto, 45 ACP (part III – Grăsanii)
– Cartușe revolver| 1 – 22 LR si 22 WMR (part I: Piticii)
Leave a comment